EGENSKAPER
- Säkerhetsspärr 38°, med maxtemperatur 43°
- Duschanslutning ned
- Kompenserar temperatur- och tryckvariationer
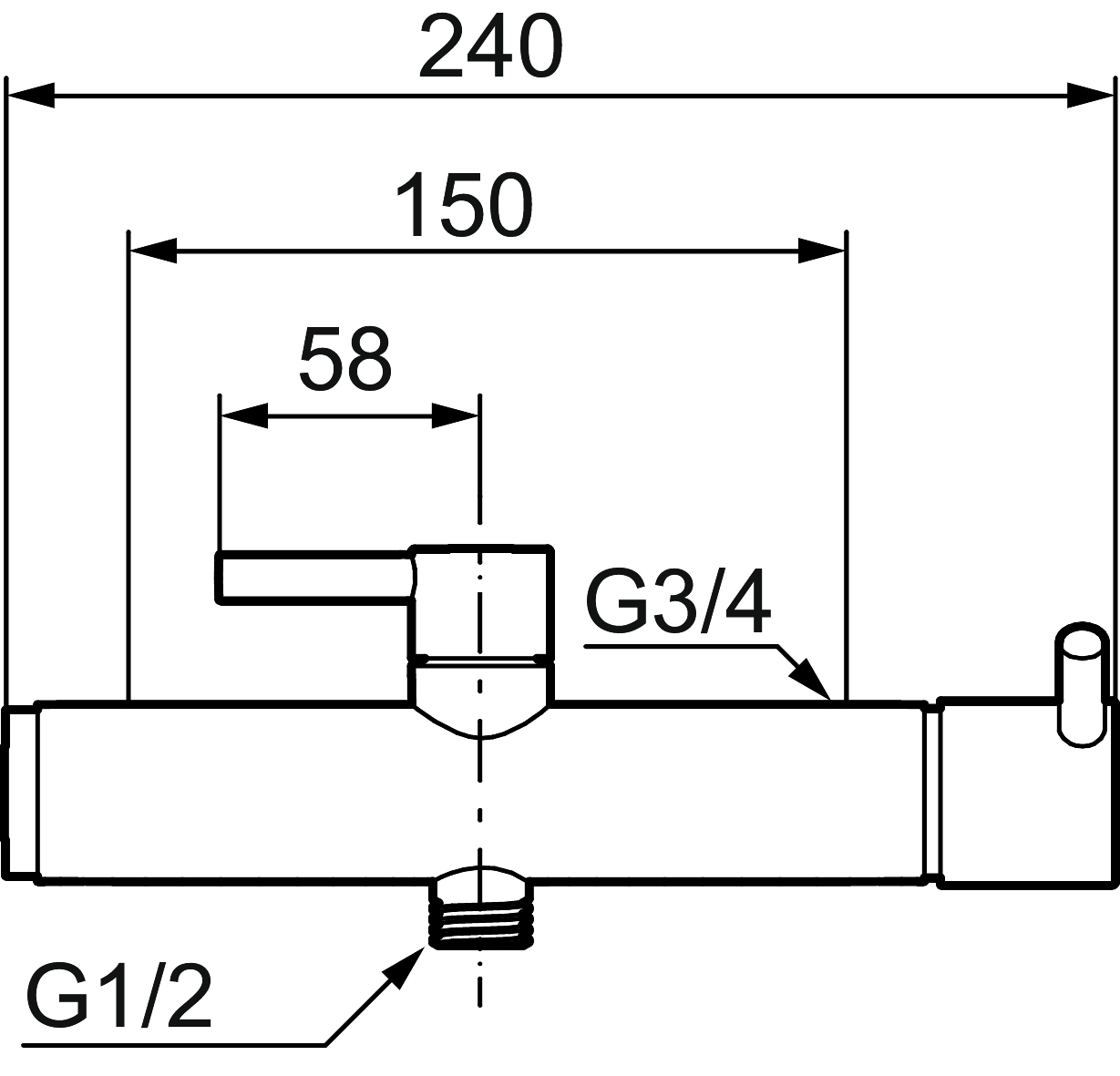
- Utsprång med väggbricka 60 mm (Föravst. 100 mm)
- Med legionellagenomspolning
- Återströmningsskydd enligt EU-standard SS-EN 1717
-
-
Blandarfäste 150 c/c, PE-X-, PE-RT-, PB- och multilayer-rörFör dold rördragning- Art.nr
- S600033
- RSK
- 8265262
-
-
Blandarfäste 150 c/c, PE-X-, PE-RT-, PB- och multilayer-rörFör dold rördragning- Art.nr
- S600034
- RSK
- 8265263
-
-
-
Fyll i din e-postadress så skickas reservdelslistan till din inkorg.
| Nr. | Art.nr | RSK | Beskrivning |
|---|---|---|---|
| 1 | 409463.AE | 8185714 | Termperaturvred, komplett, krom |
| 1 | S600225 | Temperaturvred max 38°, komplett, krom | |
| 2 | 409464.AE | 8345215 | Stop ring, Temperature |
| 3 | 409465.AE | 8185713 | Kit (termostatinsats, ratt, stoppring) |
| 4 | 409468.AE | 8345213 | Spak, L=58 mm |
| 5 | 409469.AE | 8345214 | Spak, L=170 mm |
| 6 | 409369.AE | 8938270 | Överstycke |
| 7 | 708450.AE | 8439686 | Avstängningsratt, krom |
| 8 | 708451.AE | 8439689 | Stoppring för avstängningsratt |
| 9 | 708467.AE | 8345124 | Överstycke |
| 10 | 709339.AE | 8938274 | Packning 24/15x2, 2-pack |
| 11 | 708338.AE | Backventil (2 st), 150 c/c | |
| 12 | 708080.AE | Silhållare, 150 c/c | |
| 13 | 139465.AE | 8186872 | Patronbackventil, 150 c/c |
| 14 | 129380.AE | 8345651 | Backventil (2 st), 160 c/c |
| 15 | 38147000 | 8221811 | Termostatinsats, för legionellagenomspolning |
Byggvarubedömningen
modal.bvb.desc;
Accepterad monteringsanvisning
Denna produkt är anpassad till branschregler för säker vatteninstallation.
Blyfri
Lead Free innebär att vi bytt ut det bly som normalt finns i mässingslegeringar. På så sätt får vi produkter med en mindre miljöpåverkan. Lead Free-märkta produkter innehåller mindre än 0,1 % bly och är därmed klassade som blyfria.
Energiklassning
I tabellen under produkten ser du vilken energiklass blandaren har. Certifikat för energimärkning finns under dokument.
modal.sundahus.title
modal.sundahus.desc